Anbieter zum Thema
Ein großer Vektorsprung dauert so lange, dass er in allen drei Phasen feststellbar ist. Deshalb würde es im Prinzip ausreichen, nur eine Phase zu überwachen. Die beim UFR 1000 wahlweise vorgesehene 3-phasige Überwachung bietet aber einen besseren Schutz vor Fehlauslösungen bei ganz kurzen Vektorsprüngen, die nur in einer Phase auftreten.
Der einzustellende Grenzwert oder ein zulässiger Bereich wird in der Regel durch den Netzbetreiber vorgegeben. In der Praxis kann es vorkommen, dass das Gerät so eingestellt werden muss, dass durch Verbraucher in der Nähe verursachte Vektorsprünge nicht zu Fehlauslösungen führen. Auch eine empfindlichere Einstellung am unteren Ende des vom Netzbetreiber vorgegebenen Bereichs kann sinnvoll sein, um den Generator optimal zu schützen. Dazu kann am Gerät der Wert des höchsten Vektorsprungs abgelesen und so die optimale Einstellung besser ermittelt werden.
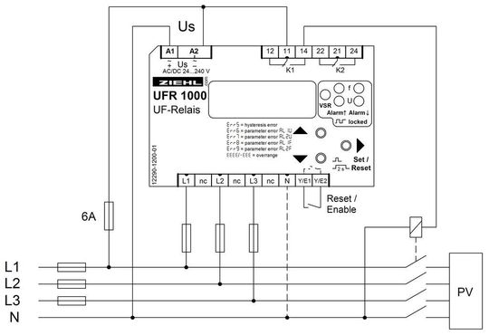
Das Spannungs- und Frequenzrelais UFR 1000

Das UFR 1000 wurde seit der Markteinführung Ende 2008 bereits mehrfach weiterentwickelt. So wurde u.a. die Rückschalt-Verzögerungszeit nullspannungssicher ausgeführt, der Ablauf der Zeit angezeigt und die Werkseinstellungen angepasst. Außerdem wurde die Überwachung des 10-Minuten-Mittelwerts auf Überspannung eingeführt, sodass sich bei Bedarf auch ein Spannungstrend überwachen lässt. Die Betriebsanleitung hat zwei extra Seiten erhalten für eine Schnellinstallation. Dadurch wurde das Gerät bestmöglich an die Kundenwünsche angepasst und ist beim Einsatz an Photovoltaikanlagen praktisch per Plug & Play in Betrieb zu nehmen. Der Betreiber braucht lediglich die Rückschaltverzögerungszeit (die ab Werk eingestellten 20 s sind relativ kurz) auf die Vorgaben des Netzbetreibers einstellen.
Das Relais kann an Steuerspannung AC/DC 24 bis 240 V betrieben werden. Das 4 TE (70 mm) breite Gehäuse ist für den Einbau in Stromverteiler und Schaltschränke geeignet. Die Testfunktion ermöglicht die geräteinterne Simulation von Messwerten und damit eine einfache Demonstration der Funktion am eingebauten Gerät sowie die Überprüfung der Einstellungen und der Anschlüsse. Die schnelle Ansprechzeit (ab 50 ms) und umfangreiche Einstellmöglichkeiten ermöglichen den Einsatz auch in vielen anderen Anwendungen in Industrie und Gebäudetechnik.
Aussteller auf der Hannover Messe 2010: Halle 11, Stand B45
(ID:343977)