Überwachungsrelais Die „Schwimmweste“ für Schiffsbordnetze bei Versorgung über Landanschluss
Schiffe im Hafen werden häufig über einen Landanschluss mit Strom versorgt. Aufgrund der unterschiedlichen Qualitäten dieser Energiebereitstellung muss ein Überwachungsrelais sicherstellen, dass es nicht zu Schäden in der Elektrotechnik an Bord kommt. Zum Schutz der Spannungsanpassung haben solche Anlagen ein entsprechendes „Kleinhirn“ an Bord, das aufpasst, jede Veränderung sofort registriert und entsprechend handelt.
Anbieter zum Thema
In der Schiffswerft Talcahuana in Chile entstehen Schiffsneubauten für verschiedene Einsatzgebiete mit einer Tragfähigkeit bis zu 50 000 dwt (dead weight tonnage). Trotz unterschiedlicher Landanschlussversorgungen in den Hafenanlagen der Einsatzgebiete ist die sichere Versorgung von wesentlichen Verbrauchern des Bordnetzes anzupassen und sicherzustellen.

Dabei gilt es, die Varianz der Landanschluss-Versorgung von 3-phasig 380 V 50/60 Hz oder 440 V 50/60Hz auf das definierte Bordnetz von 3-phasig 440 V 50/60 Hz oder 220 V 50/60 Hz (je nach Ausrüstung) für ein Leistungsspektrum bis 99 kVA anzupassen.
Außerdem müssen die Verbraucher des Bordnetzes vor Überspannungen geschützt werden, die aus dem Landanlagennetz durch Spannungsschwankungen resultieren. Landanlagennetze mit einer Nennspannung von 440 V sind in südamerikanischen oder asiatischen Gegenden häufig noch vorzufinden.
Beides Fälle für die Bremer Firma mdexx Magnetronic Devices: Sie ist spezialisiert auf Anpass- und Steuertransformatoren sowie Stromversorgungen und versteht sich als Lösungsanbieter für Standardprodukte und kundenspezifische Ausführungen. Für Ralf Neuber, der für die Planung und Umsetzung verantwortliche Entwicklungsingenieur, galt es, eine Lösung auf kompaktem Raum, für den rauen Schiffseinsatz und mit geringer Gerätevarianz umzusetzen.
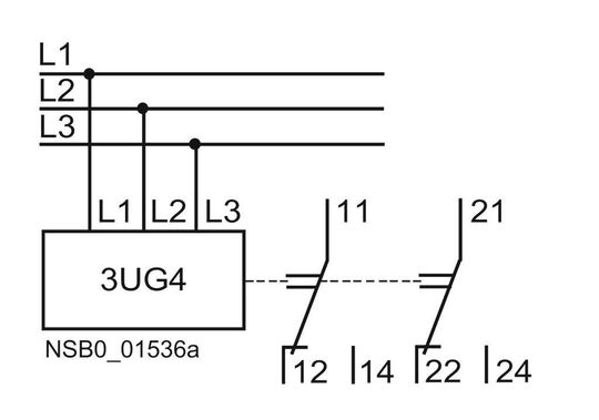
Der Kern seiner Lösung wird mit Komponenten aus dem Siemens-Spektrum realisiert, so z.B. dem Sidac Leistungstransformator 3-phasig 40 kVA bzw. 100 kV, 440 V primär mit Anzapfung 380 V und 220 V sekundär. Die Auslegung der Primärspannungen auf die unterschiedlich zu erwartenden Landanlagennetze legt den Grundstein für alle gelieferten Anlagen. Das „Kleinhirn“ der Umschalteinrichtung bildet das Netzüberwachungsrelais Sirius 3UG4615.
Eigenversorgung statt zusätzlicher Steuerspannung

Das Relais ist für einen Weitspannungs-Eingangsbereich von 160 bis 690 V 50/60 Hz ausgelegt und eigenversorgt - was den flexiblen Einsatz in unterschiedlichen Netzen unterstützt, ohne auf die Anforderung einer bestimmten Steuerspannungsversorgung achten zu müssen.
Neben der Überwachung von Phasenausfall, Phasenasymmetrie und Unterspannung, wird das Relais auch zur Überspannungs-Überwachung eingesetzt. Durch zwei unabhängige Meldekontakte ist die Ansteuerung von unterschiedlichen Aktionen möglich, was den Einsatz eines zweiten Überwachungsrelais einspart.

Das Netzüberwachungsrelais wird hier im Ruhestromprinzip eingesetzt (wahlweise auch im Arbeitsstromprinzip). Ist die Netzspannung vom Landanschluss im zulässigen Bereich von bis zu 440 V +5 Prozent (462 V) sind die Kontakte 21/24 geschlossen und geben die Steuerspannung für die Leistungsschütze frei. Bei einer erkannten Überspannung >462 V öffnen die Kontakte, beide Schütze fallen ab und trennen somit das Bordnetz von der Landanschlussversorgung.
Über die Wechslerkontakte 11/12/14 wird die Umschaltung von der Trafoeinspeisung gesteuert. Bei der Unterschreitung des zulässigen Werts für die primäre 440-V-Einspeisung des Trafos wird auf die 380-V-Anzapfung umgeschaltet.
(ID:351410)